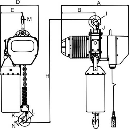
جدول مشخصات
- ظرفیت (تناژ): 5 تن
- سه فاز 380 ولت
- ارتفاع بالابری: 6 متر
- سرعت بالابری: 2.7 متر در دقیقه
- قطر زنجیز: 11.2 میلیمتر
- دو زنجیر
- وزن خالص: 250.8 کیلوگرم
------------
جرثقیل وسیله است که بار را در راستای قائم با ترکیب شش جهت حرکتی کنترل پایا جا به جا میکند تنوع زیاد جرثقیل ها و تجهیزات بالابری موجود، تقسیم بندی دقیق و جامع آنها را بسیار دشوار می سازد. به ویژه که این تقسیم بندی بر مبنای معیار های متفاوتی نظیر کاربرد، طرح، نوع حرکت و انرژی مورد استفاده امکان پذیر است. اگرچه تقسیم بندی ارائه شده در اینجا همه انواع جرثقیل را در بر نمی گیرد، اما با تلفیقی کاربردی از معیار های دسته بندی، شناخت مناسبی از طرح های مختلف و اصطلاحات صنعت جرثقیل را به فرا میگیرید.
جرثقیل برقی چهار کاره سه فاز 5 تن ویتال استرانگ مدل DSTG5T دارای یک زنجیر میباشد که قطر آن برابر 11.4 میلیمتر است و سرعت بالابری معادل 2.7 متر در دقیقه و ارتفاع بالابری 6 متر و وزن خالص معادل 250.8 کیلوگرم است.
انواع جرثقیل و کارایی های آنها
جرثقیل های موبایل (ماشینی) که بروی زمین به دو صورت ثابت (نصب جک) و کارگاهی (متحرک با بار) می باشند.
جرثقیل های سقفی (جرثقیل برقی دو کاره ویتال) که در سالن های صنعتی و تولیدی و یا سایر خطوط (انبار- تعمیرو…) در ارتفاع بر روری خطوط باربر کناری قبل نصب می باشد. جرثقیل های سقفی به دو نوع جرثقیل سقفی تک پل و دو پل دسته بندی میشوند.
جرثقیل دروازه ای: این نوع جرثقیل ها به دو صورت دروازه ای و نیم دروازه ای قابل استفاده هستند.
جرثقیل بازویی: جرثقیل های بازویی به دو صورت بازویی (دیواری) و یا ستونی بازویی قابل استفاده در صنایع می باشند.
جرثقیل های سقفی یا آویز: این جرثقیل ها درسالن ها ومکان ها ی با محدودیت ارتفاع و خطوط مونتاژ سری (خودرو سازی و…) در ظرفیت های مختلف تا ۵ تن قابل استفاده می باشند
بالابر های سقفی برقی (جرثقیل (بالابر) برقی دوکاره ویتال):
جرثقیل سقفی (به انگلیسی: Overhead crane) برای جابجایی بار در انبار ها و سالن های صنعتی کاربرد دارد.
این جرثقیل معمولاً دارای دو ریل موازی است که به صورت افقی در طول سالن جرثقیل به صورت (محدود در شش جهت) بر روی آن حرکت می کند.
انواع بالابر های برقی (جرثقیل برقی سقفی) به صورت زیر است:
جرثقیل برقی زنجیری – جرثقیل برقی سیم بکسلی
جرثقیل برقی سه فاز چهار کاره 5 تن ویتال استرانگ مدل DSTG5T دارای یک زنجیر میباشد که قطر آن برابر 11.4 میلیمتر است و سرعت بالابری معادل 2.7 متر در دقیقه و ارتفاع بالابری 6 متر و وزن خالص معادل 250.8 کیلوگرم است.



